Цена
21 августа 2025
Описание
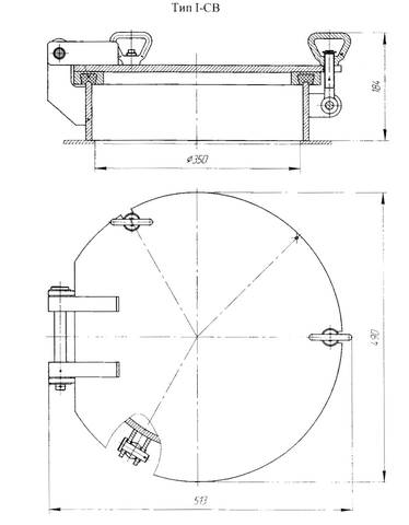
ДУ Ø 350 круглая
черт. 2897-262-1
Крышка судового люка ДУ Ø 350 стальная, круглая
с барашковыми задрайками плоское полотно
ООО «ТЕХНО-ФЛОТ» г. Волжский производит судовое палубное оборудование
сертификат РМРС, РКО, сроки изготовления и цена по запросу доставка любой ТК в регионы.
Местоположение
Похожие объявления




